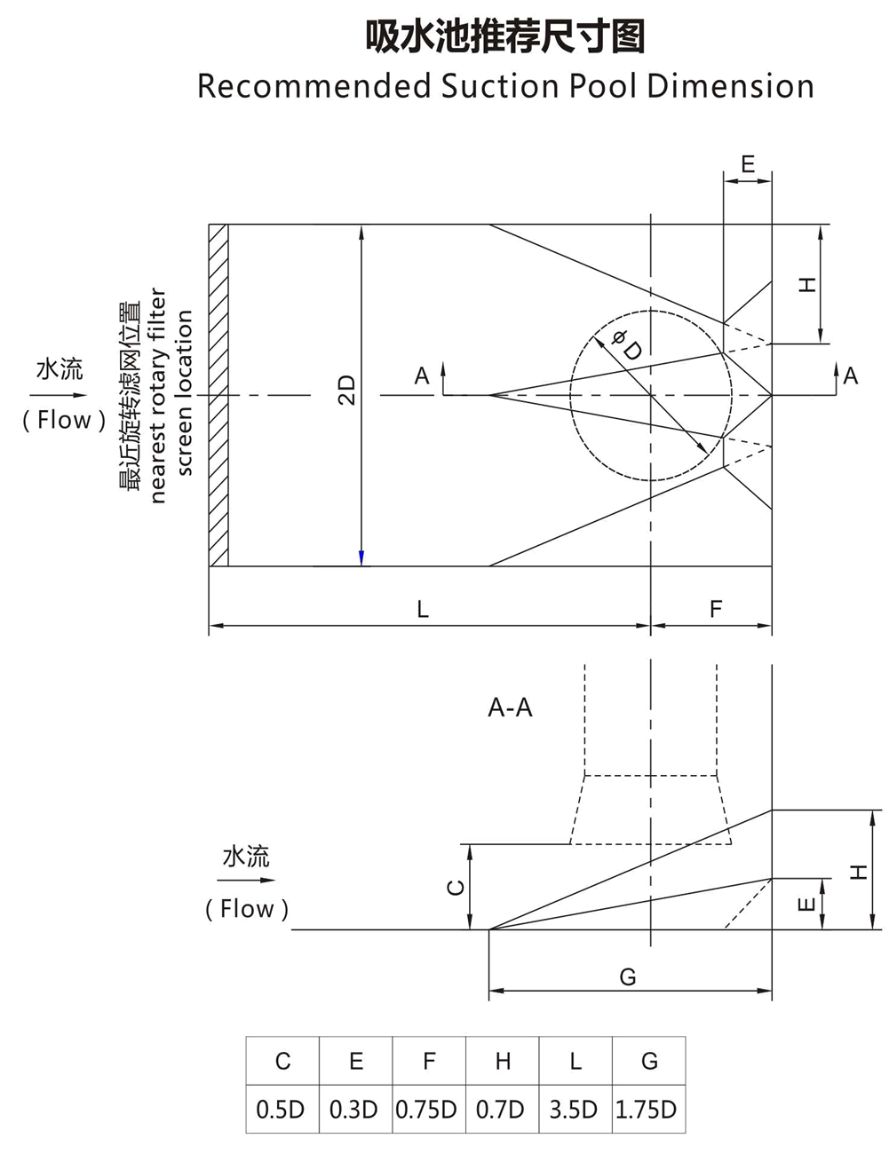
HL型立式长轴斜流泵吸水池推荐尺寸:HLB、HLBK、HLKT、HLBS、HLKS等长轴泵,立式长轴泵,长轴斜流泵,立式斜流泵,长轴泵吸水池,立式长轴泵吸水池推荐尺寸,仅供参考,以实物为准!

湖南立佳机械制造有限公司
生产地址:中国湖南省岳阳市湘阴县金龙镇湘阴工业园
胡经理:18507312158
易经理:15111351988
公司邮箱:sale@ljpump.net
作者:长沙长轴泵厂家湖南立佳机械 发布时间:2020/3/15 11:57:24点击:
HL型立式长轴斜流泵吸水池推荐尺寸:HLB、HLBK、HLKT、HLBS、HLKS等长轴泵,立式长轴泵,长轴斜流泵,立式斜流泵,长轴泵吸水池,立式长轴泵吸水池推荐尺寸,仅供参考,以实物为准!
